Escalator
An escalator is an inclined passenger conveying device that operates in a continuous cycle.
Its core function is to realize the rapid and continuous transportation of people between different floors, and it is widely used in crowded public places such as shopping malls, airports, and subway stations.Meet the daily travel needs of residents.
- Inclined continuous transportation
- No need for personnel to wait
- Carry a large number of passengers
- Improve traffic efficiency
Professional Escalator Transportation Solution
Compared with vertical elevators, the core advantages of escalators are “continuous transportation, no waiting, and adaptation to large passenger flows”. There is no need for people to press buttons to call, passengers can get on and off at any time, which is suitable for crowd evacuation during peak hours.
Our escalators are designed for shopping malls, transportation hubs, and public commercial spaces.
With advanced drive technology and structural stability design, the system provides continuous and smooth passenger transportation under high traffic conditions.
The escalators from Fuji Factory have projects worldwide. We have rich experience both at home and abroad. If you need to customize escalators for your commercial project, our factory will be your top choice.
Our escalators operate stably with low noise, and can remain safe and comfortable even under high-intensity use. Each escalator undergoes time testing before leaving the factory, so please be assured of our quality.
Talk to us about your plan!

About Our Fuji—Escalator

Advantages of our escalator
- Stable & Smooth Operation
- High Strength Structure
- Energy Saving Technology
- Low Maintenance Cost
- Efficiently guide passenger flow
The safety system of our escalator
- Emergency stop device
- Skirt panel protection
- Step chain protection system
- Overspeed monitoring
- Fault alarm system
- Each unit is factory tested before delivery.


Applications of Fuji-Escalator
Widely Used in Commercial Buildings
- Shopping Malls
- Supermarkets
- Metro Stations
- Airports
- Exhibition Centers
- Commercial Complexes
Why Choose Fuji-Escalator
Customize Your Escalator
- Type
- Data Reference

| Item | Specification |
|---|---|
| Type | Escalator |
| Step Width | 600mm / 800mm / 1000mm |
| Inclination Angle | 30° / 35° |
| Rated Speed | 0.5 m/s |
| Rise Height | Customizable (3m–10m) |
| Drive System | Gearless drive / Gear drive |
| Control System | VVVF intelligent control |
| Power Supply | 380V, 50Hz, 3 Phase |
| Safety Devices | Step missing detection, skirt guard switch, emergency stop, overspeed protection, handrail speed monitoring, anti-reversal device |
| Application | Shopping malls, airports, metro stations, department stores, hotels, public buildings |
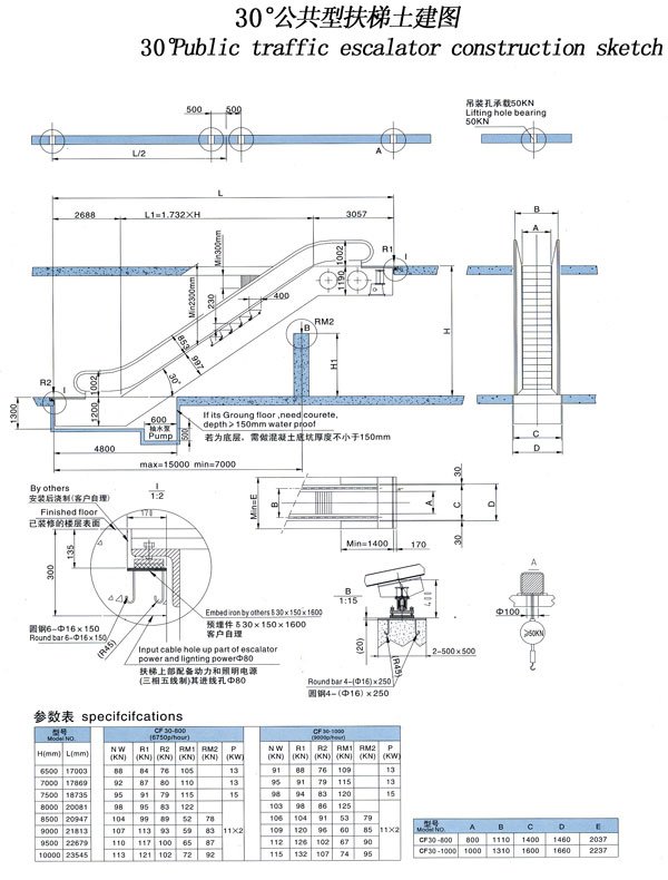
More details About Escalator
Our Mature Escalator Project Cases (1)
An escalator is a moving staircase designed to transport people between different floors. It is widely used in shopping malls, airports, metro stations, hotels, office buildings, and commercial centers.
We provide a variety of escalators including:
- Indoor escalators
- Outdoor escalators
- Commercial escalators
- Heavy-duty public transport escalators
The price of a commercial escalator depends on several factors such as lifting height, step width, installation environment, and customization requirements. Please contact us for a detailed quotation.
Yes. We provide professional escalator maintenance and technical support to ensure long-term stable operation.
When choosing an escalator supplier, you should consider:
- Manufacturing experience
- Product certifications
- Installation capability
- After-sales service
- Customization ability
Yes. We support OEM services and custom escalator solutions based on project requirements such as building structure, lifting height, and traffic flow.












